Vorteile: |
Nachteile: |
|
|
- Vorbildgerecht langsames anhalten der Lok - Spricht alle Loks an (die Digitaladresse ist egal) - Funktionen wie z.B. Licht bleiben auch im Stand eingeschalten - Sehr einfacher Aufbau und damit kostengünstig |
- Benötigt isolierte Gleisabschnitte und ist damit örtlich gebunden - Unkontrolliertes anhalten von Loks mit einfachem Decoder wie Delta und 6080 - Funktionen lassen sich während dem Aufenthalt im Brems- und Übergangsbereich nicht schalten - Das programmieren von mfx-Decoder sowie deren Rückmeldung ist im Brems- und Übergangsbereich nicht möglich |

| 0 | Masse (geht zur Digitalzentrale, z.B. Mä 6021, 60212, ...) |
| B | Bahnstrom (geht ebenfalls zur Digitalzentrale) |
| Ü | Übergangsbereich (geht zum Bremsmodul) |
| Br | Bremsbereich (geht zum Bremsmodul) |
| S | Sicherheitsbereich (geht zum Bremsmodul) |
| Übergangsbereich |
Verhindert, dass ein Schleifer eine Verbindung zwischen dem „normalen“ Bereich und dem Bremsbereich herstellt. Länge: Mindestens so lang wie der längste Schleifer (ein Gleis). |
| Bremsbereich |
In diesem Bereich bremst die Lok. Länge: Richtet sich nach der eingestellten Bremsverzögerung im Decoder. Die Lok sollte noch in diesem Bereich zum stehen kommen (ca. 50 cm – 100 cm). |
| Sicherheitsbereich |
Dieser Bereich ist Spannungsfrei und verhindert ein versehentliches „durchrutschen“.
Sollte die eingestellte Bremsverzögerung so groß sein, dass die Lok über den Bremsbereich hinaus fährt,
bleibt sie hier schlagartig stehen (außerdem erlischt die Beleuchtung und weitere Funktionen). Länge: ca. 30 cm (zwei Gleise). |
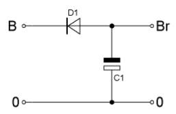
Die Grundschaltung: |
Beschreibung der Grundschaltung: |
|
![]() |
D1 sorgt dafür, dass nur die negativen Teile der Digitalspannung in den Bremsbereich gelangen. C1 glättet die nach der Diode D1 vorhandenen Rechteckimpulse. |
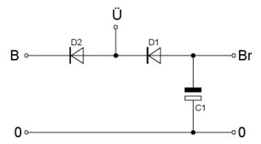
Grundschaltung mit Übergangsbereich: |
Von mir verwendete Bauteilwerte: |
|
![]() |
C1: Elektrolytkondensator 470 µF, 40V Bei unter 2A Laststrom sollten 220 µF normalerweise auch reichen und haben den Vorteil, dass der Ladestrom des Kondensators geringer ist. Achtung: Auf die richtige Polung achten, ansonsten fliegt der euch um die Ohren. D1 und D2: Diode 1N5402 (1N5400 hatte ich nicht zur Hand, 1N4001 mit max. 1A reicht für die einfache Fälle auch aus). |
